Contents
機器製作例
ここでは、R-CPSのHPで紹介している機器の製作に関して紹介します。
1. 2軸カメラ駆動機
2軸カメラ駆動機のハードウェア制作に関する情報を紹介します。大きく電気部と筐体部に分かれます。筐体部は3Dプリンタで作成しています。
1-1. 電気部
1-1-1. 電気部の主要部品
次に電気部の主要部品リストを示します。汎用部品が他に必要になります。
バイポーラのステッピングモータをL6470使用のドライブキットで駆動します。マイコンには、ESP32-DevKitを使用しています。部品は秋月電機で購入しました。

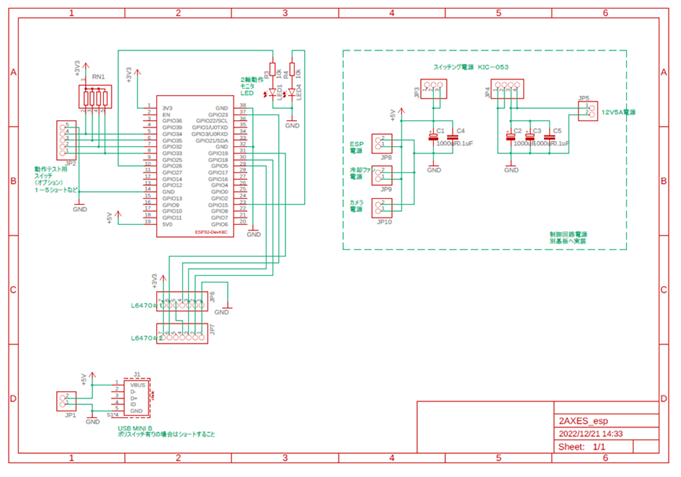
1-1-2. 電気部の回路図
次に電気部の回路図を示します。2つのL6470ドライバは、SPIのデイジーチェーン接続にしています。

1-2.筐体部
筐体部の組立図を4枚示します。
1-2-1.ベアリングの組立

1-2-2. 駆動回路のケース内部への配置

1-2-3. 装置本体下部の組立
1-2-4. 装置本体上部の組立



